continuing this thread instead of the new one at
https://forums.genvibe.com/phpBB3/viewt ... 18&t=47743
In that thread, you said
Would a bad heater relay (directly above the glove box) be the cause of no power to the 10amp fuse found by the steering column? I have no power (voltage) going to the 10amp fuse, car on or off, nor am I getting any power to the blower. Before I pull the relay box holding the 3 relays above the glove box, wanted to see if that's a possibility or should I be looking elsewhere for no power. Oh and yes the relay in the engine compartment is good. Thanks.
If the 10A fuse you refer to is the AC fuse, then that's ok if the HEATER relay is not closed.
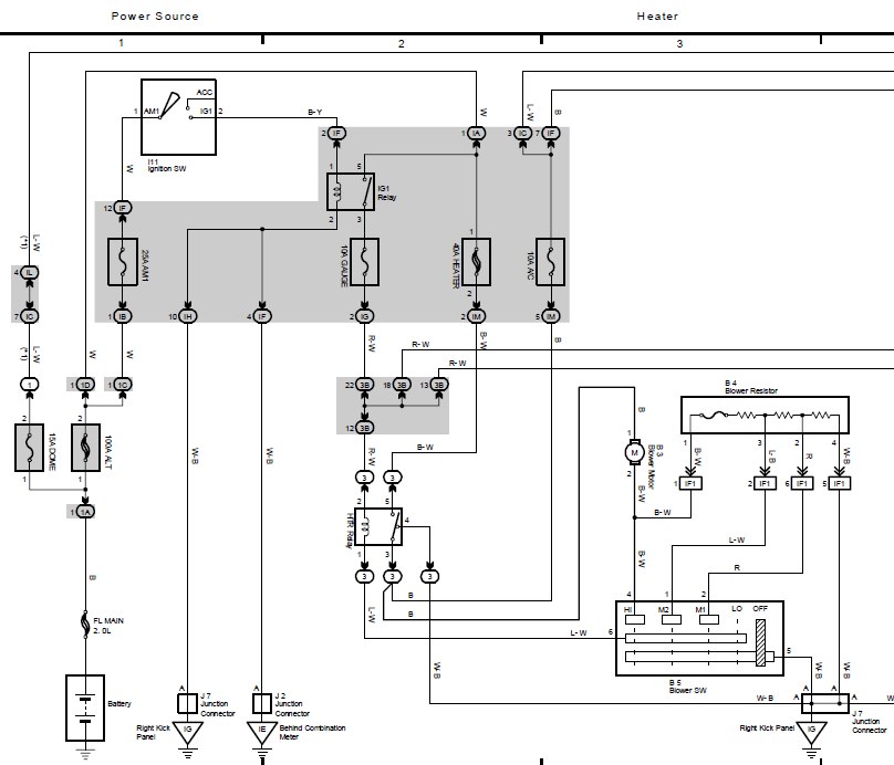
This diagram shows where there is 12V when the ignition is off. Relative to the blower circuit, it gets to the 100A ALT fuse, the ignition switch, and one side of the ignition relay
I assume all of those are ok, or you would be having a lot of other problems, not just the blower.
12V also gets to and through the Heater fuse, down to the heater relay, but the heater relay is not energized, so it stops there.
The 10A AC fuse is actually grounded at this point

- blower-io.jpg (63.04 KiB) Viewed 6130 times
-=-=-=-=-=-=-=-=-=-=-=-=-=-=-=-=-=-=-=-=-=-=-=-=-
This diagram shows where the same but with the ignition switch set to run (same as when the engine is running, although the engine does not need to actually be running) and the blower speed at OFF
The ignition relay is closed, so now 12V flows through it, powers the GAUGE fuse and gets to the top of the HEATER relay coil. The fan speed is set to off, so the HEATER relay coil is open, not grounded, and the relay says open. The AC fuse is still grounded.
I assume the ignition switch and the GAUGE fuse are ok, or you would be having a lot of other problems

- blower-irfo.jpg (64.84 KiB) Viewed 6130 times
-=-=-=-=-=-=-=-=-=-=-=-=-=-=-=-=-=-=-=-=-=-=-=-=-
This diagram shows the same but now fan speed switch set to high
The fan speed switch now sends ground to the HEATER relay coil, the HEATER relay is closed . Now 12V gets to one side of the blower motor and one side of the AC fuse. On speed HIGH, the blower resistor is bypassed and ground is applied to the other side of the blower motor

- blower-irfh.jpg (66.1 KiB) Viewed 6130 times
-=-=-=-=-=-=-=-=-=-=-=-=-=-=-=-=-=-=-=-=-=-=-=-=-
So, all that being said, if the fuses are all good and the other source items that would cause other issues are ok, then it seems like the problem could be either the HEATER relay is either bad or loose, or that the fan speed switch is bad or disconnected, or a bad wire somewhere. You said you had to replace the blower resistor wire harness, not sure if that included the wires to the blower motor itself, might be worth checking for a hard ground at the blower motor when the fan speed switch is set to high. If the ignition is off, but the fan speed switch is set to high, you should get a ground on both wires going to the blower motor connector
If you do pull the relay block over the glove box to check out the HEATER relay, there are two obvious bolts that are easy enough to get to, and a third one ludicrously placed on top of the block that bolts it to a horizontal metal pipe. That one is a hassle to get to, and I didn't put it back when I had dropped the relay block. There's also a plastic pin that snaps into the metal pipe, so after you pull the three bolts, it will take some amount of force to pop it free from the pipe