2009 vibe blower stuck on high

Discuss any problems, warranty, repair, or replacement issues you are having with your Vibe & Matrix
Post Reply
brian468
Posts: 1
Joined: Sun Dec 13, 2015 8:07 am

2009 vibe blower stuck on high

Post by brian468 »

Hey guys I'm new here, my 2009 vibe blower motor is stuck on high, I changed the resistor and there's still no change, does anybody have an idea what the problem is?
jolt
Posts: 977
Joined: Sun Mar 02, 2014 2:07 am
Location: Twin Cities, Minnesota

Re: 2009 vibe blower stuck on high

Post by jolt »

You could have a bad: Blower Motor Switch or, Blower Motor Resistor (again) or, the Dark Blue wire from the blower motor is grounded out and not sending the voltage through the resistor and switch before going to ground.
jolt
Posts: 977
Joined: Sun Mar 02, 2014 2:07 am
Location: Twin Cities, Minnesota

Re: 2009 vibe blower stuck on high

Post by jolt »

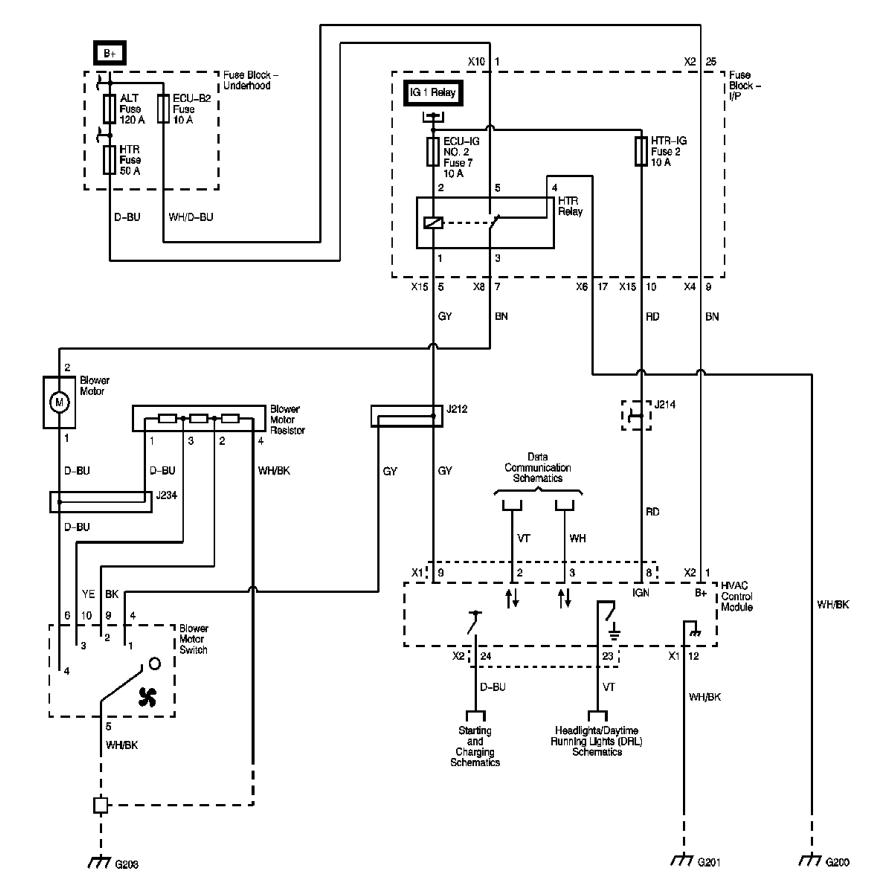
Wiring for the blower.
Attachments
Here is the wiring layout.
Here is the wiring layout.
blower wiring.jpg (64.12 KiB) Viewed 948 times
Post Reply